文件内容:solidworks24三维模型、CAD图纸、工艺加工卡、工序过程卡、设计说明书
solidworks24版本模型源文件,可编辑,含参数

泵轴夹具solidworks24版三维装配模型
泵轴夹具solidworks24版三维装配模型
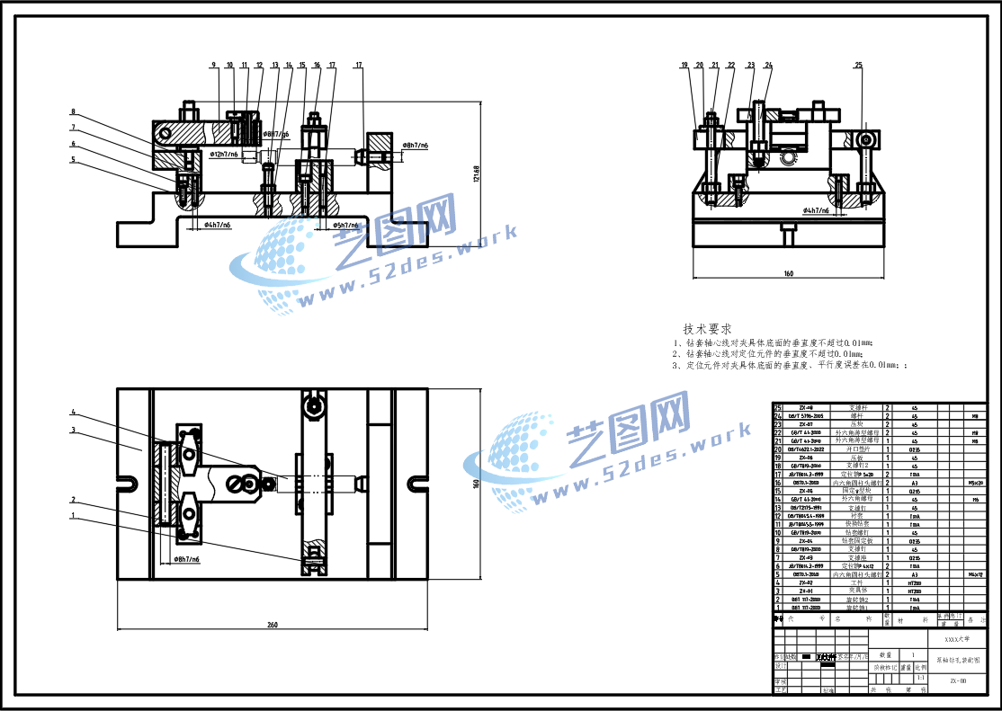
泵轴solidworks24装配图,其采用泵轴外圆以及其中一个端面定位,然后采用翻盖式结构实现钻孔。

泵轴夹具CAD装配图

CAD泵轴零件图

CAD泵轴毛坯图泵轴CAD夹具体

工艺加工卡

工序过程卡

设计说明书目录

设计说明书计算

声明:本站所有文章,如无特殊说明或标注,均为本站原创发布。任何个人或组织,在未征得本站同意时,禁止复制、盗用、采集、发布本站内容到任何网站、书籍等各类媒体平台。如若本站内容侵犯了原著者的合法权益,可联系我们进行处理。