文件内容:solidworks24版三维模型、CAD图纸、设计说明书
塑料粉碎机solidworks24版三维模型源文件,可编辑
塑料粉碎机solidworks24版三维装配图
塑料粉碎机solidworks24版三维装配图
塑料粉碎机CAD装配图
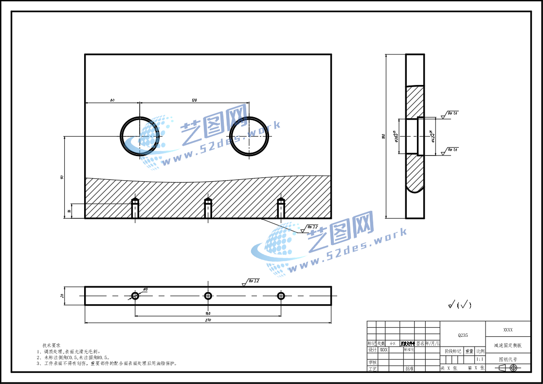
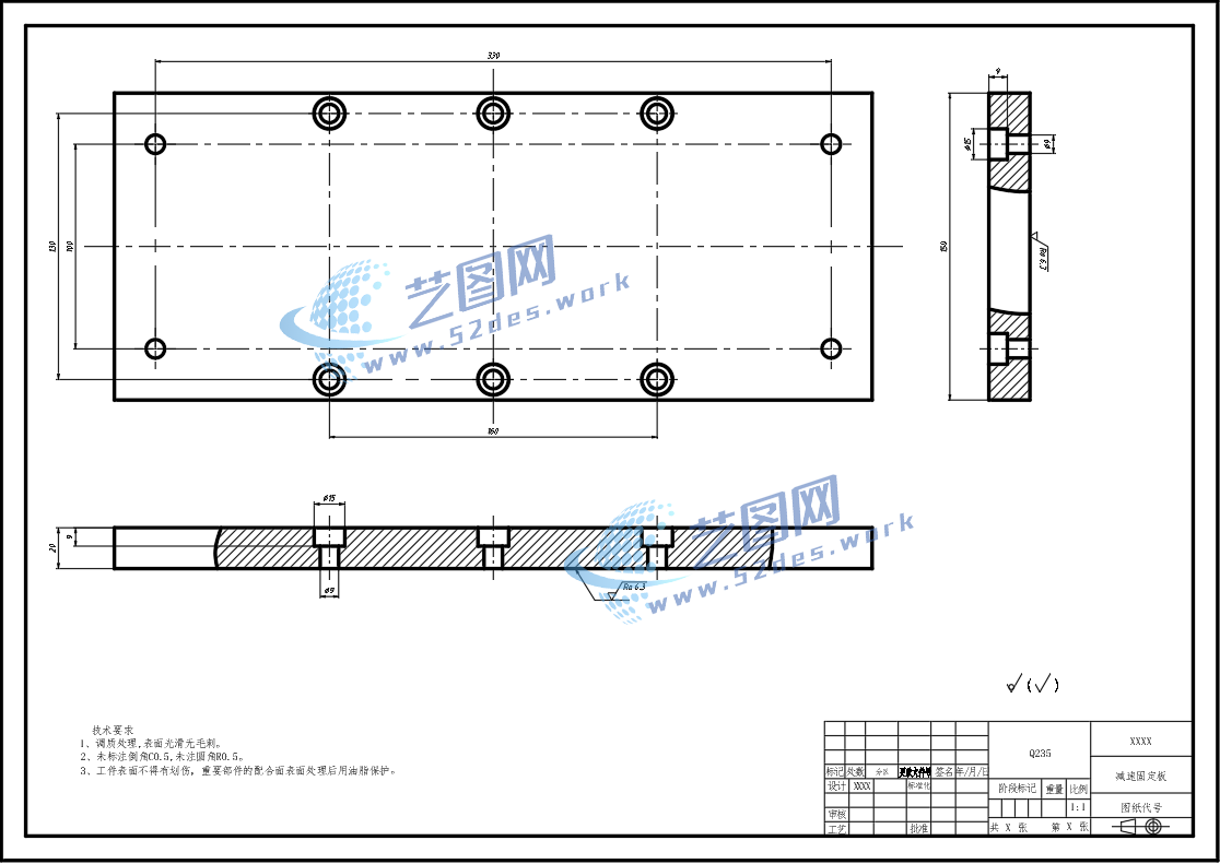
塑料粉碎机CAD零件图纸
塑料粉碎机CAD零件图纸
塑料粉碎机CAD零件图纸
塑料粉碎机设计说明书目录
塑料粉碎机设计说明书内容
声明:本站所有文章,如无特殊说明或标注,均为本站原创发布。任何个人或组织,在未征得本站同意时,禁止复制、盗用、采集、发布本站内容到任何网站、书籍等各类媒体平台。如若本站内容侵犯了原著者的合法权益,可联系我们进行处理。
