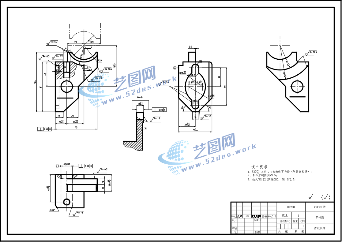
文件内容:CAD图纸 限位座CAD零件图 限位座CAD毛坯图 声明:本站所有文章,如无特殊说明或标注,均为本站原创发布。任何个人或组织,在未征得本站同意时,禁止复制、盗用、采集、发布本站内容到任何网站、书籍等各类媒体平台。如若本站内容侵犯了原著者的合法权益,可联系我们进行处理。
工业设备 机械结构 输送机带张紧装置结构设计含CAD图纸+solidworks24三维模型+说明书|C24543 文件内容:solidworks24版三维模型、CAD图纸、设计说明书 输送机so... 1 周前 0 0 7 500
机械夹具 轴承支撑座工艺分析设计含CAD图纸+solidworks24三维模型+说明书|C25528 文件内容:solidworks24版三维模型、CAD图纸、工艺卡、工序卡、设计说... 7 月前 0 0 32 150
机械夹具 调速器操纵手柄钻12孔夹具设计含CAD图纸+solidworks21三维模型+说明书|C22433 文件内容:solidworks21三维模型、CAD图纸、工艺卡、工序卡、设计说明... 4 年前 0 0 638 75
机械夹具 左泵盖钻孔夹具设计含CAD图纸+solidworks24三维模型+说明书|C25432 文件内容:solidworks24版三维模型、CAD图纸、设计说明书 solid... 9 月前 0 0 86 130