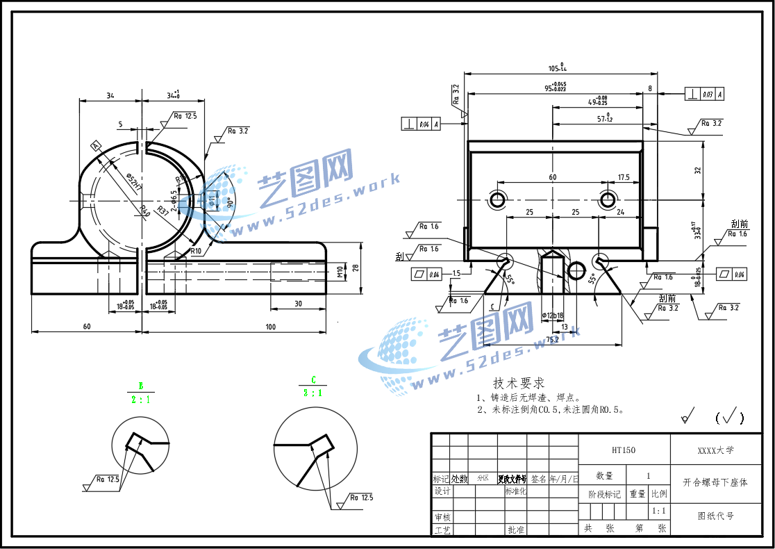
文件内容:CAD图纸 开合螺母下座体CAD零件图 开合螺母下座体CAD毛坯图 声明:本站所有文章,如无特殊说明或标注,均为本站原创发布。任何个人或组织,在未征得本站同意时,禁止复制、盗用、采集、发布本站内容到任何网站、书籍等各类媒体平台。如若本站内容侵犯了原著者的合法权益,可联系我们进行处理。
机械夹具 十字头钻20孔夹具设计含solidworks21三维模型+CAD图纸+说明书|C24898 文件内容:solidworks21三维模型、CAD图纸、工艺卡、工序卡、设计说明... 2 年前 0 0 360 185
机械夹具 惰轮轴钻Φ3孔夹具设计含SW21版三维模型+CAD图纸+说明书|C20372 文件内容:solidworks21三维模型、CAD图纸、工艺卡、工序卡、设计说明... 1 年前 0 0 336 36