文件内容:solidworks24版三维模型、CAD图纸、工艺卡、工序卡、设计说明书、工序卡用图
solidworks24版本模型源文件,可编辑,含参数
拨叉夹具solidworks24版三维装配模型
拨叉夹具solidworks24版三维装配模型
拨叉夹具CAD装配图
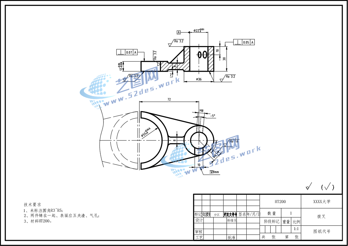
拨叉CAD零件图
拨叉CAD夹具体
拨叉CAD毛坯图
机械加工工艺卡
机械加工工序卡
拨叉设计说明书目录
拨叉设计说明书内容
声明:本站所有文章,如无特殊说明或标注,均为本站原创发布。任何个人或组织,在未征得本站同意时,禁止复制、盗用、采集、发布本站内容到任何网站、书籍等各类媒体平台。如若本站内容侵犯了原著者的合法权益,可联系我们进行处理。
