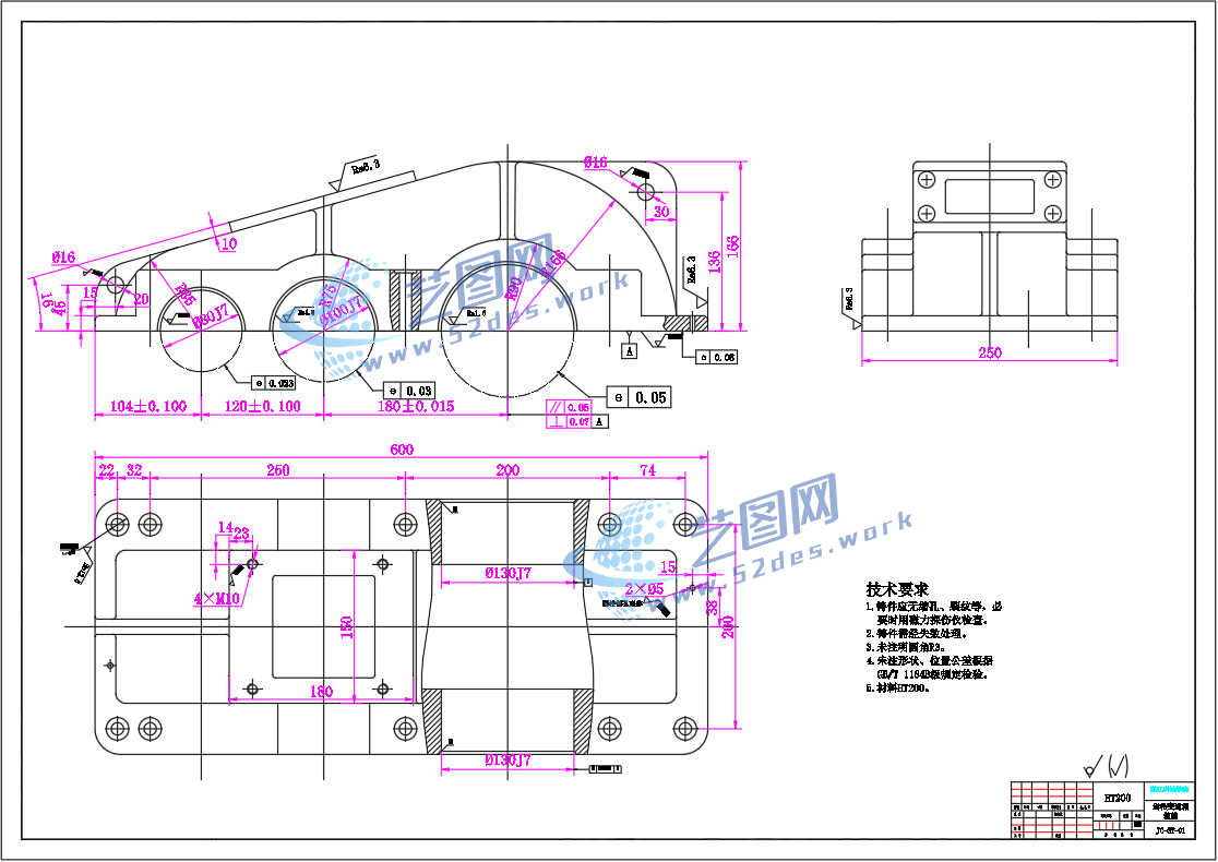
文件内容:CAD图纸、工艺卡 减速器CAD装配图 减速器箱盖CAD零件图 减速器箱体CAD零件图 机械加工工艺卡 声明:本站所有文章,如无特殊说明或标注,均为本站原创发布。任何个人或组织,在未征得本站同意时,禁止复制、盗用、采集、发布本站内容到任何网站、书籍等各类媒体平台。如若本站内容侵犯了原著者的合法权益,可联系我们进行处理。
机械夹具 连接壳体车外圆夹具设计含CAD图纸+solidworks24三维模型+说明书|C25788 文件内容:solidworks24版三维模型、CAD图纸、工艺卡、工序卡、设计说... 5 月前 0 0 23 230
模具设计 洗洁精瓶盖注塑模具设计含solidworks21版三维模型+CAD图纸+说明书|C23791 文件内容:solidworks21版三维模型、CAD图纸、设计说明书 洗洁精瓶盖... 2 年前 0 0 736 450