文件内容:CAD图纸、设计说明书
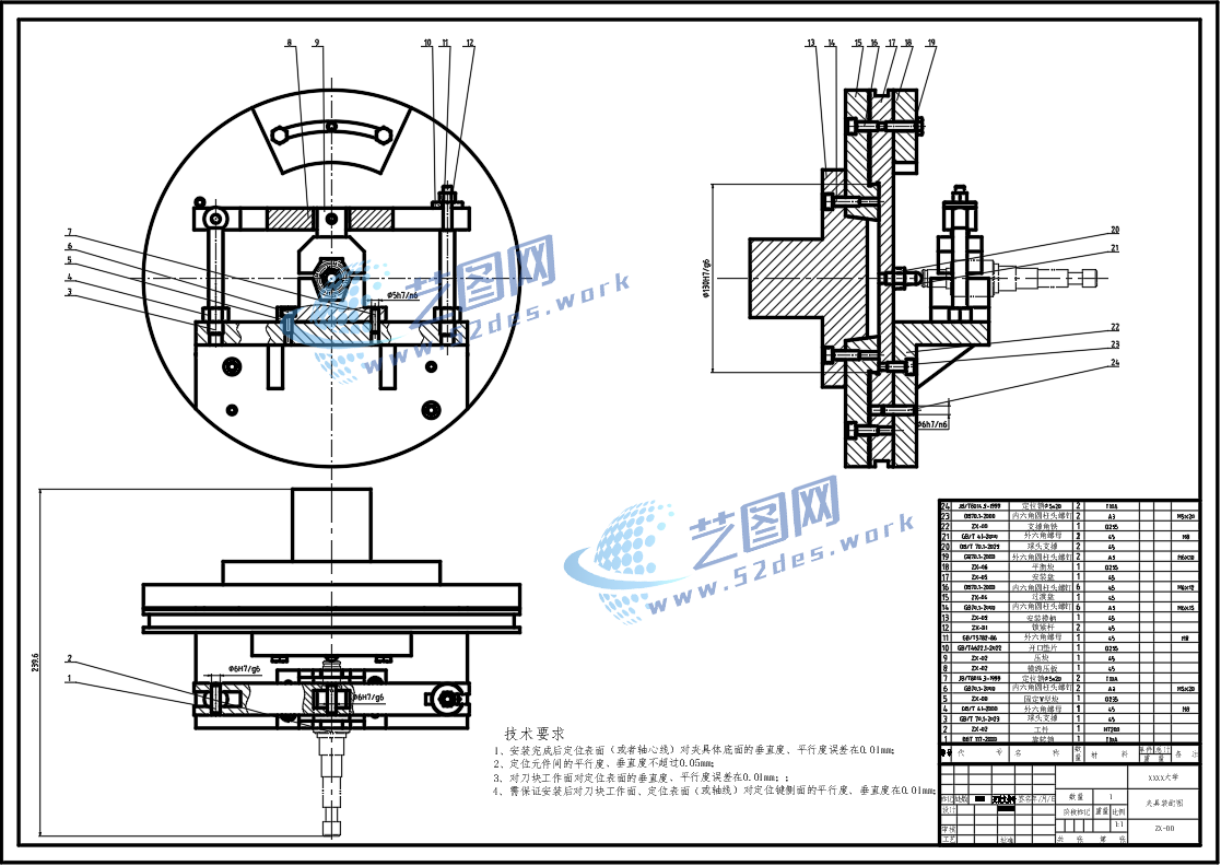
转向齿轮夹具CAD装配图
转向齿轮CAD毛坯图
转向齿轮设计说明书目录
转向齿轮设计说明书内容
声明:本站所有文章,如无特殊说明或标注,均为本站原创发布。任何个人或组织,在未征得本站同意时,禁止复制、盗用、采集、发布本站内容到任何网站、书籍等各类媒体平台。如若本站内容侵犯了原著者的合法权益,可联系我们进行处理。
文件内容:CAD图纸、设计说明书
转向齿轮夹具CAD装配图
转向齿轮CAD毛坯图
转向齿轮设计说明书目录
转向齿轮设计说明书内容