文件内容:solidworks24版三维模型、CAD图纸、设计说明书
本次的播种机采用手扶式结构,驱动方式为异步电动机驱动V带进而带动前面的行走轮,行走轮通过链轮链条带动播料轴,从而实现玉米的播种,播料口下方设置有相应的开沟装置,后方设置有覆土机构,设计创新点开沟机构能够实现上下调节,从而决定沟渠深度,图纸为solidworks24及以上。
小型手推式玉米播种机solidworks24版三维模型源文件,可编辑
小型手推式玉米播种机solidworks24版三维装配图
小型手推式玉米播种机solidworks24版三维装配图
小型手推式玉米播种机CAD装配图
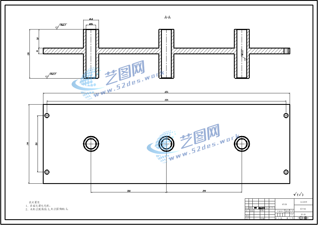
小型手推式玉米播种机CAD零件图
小型手推式玉米播种机CAD零件图
小型手推式玉米播种机CAD零件图
小型手推式玉米播种机CAD零件图
小型手推式玉米播种机设计说明书目录
小型手推式玉米播种机设计说明书内容
声明:本站所有文章,如无特殊说明或标注,均为本站原创发布。任何个人或组织,在未征得本站同意时,禁止复制、盗用、采集、发布本站内容到任何网站、书籍等各类媒体平台。如若本站内容侵犯了原著者的合法权益,可联系我们进行处理。
