文件内容:solidworks21版三维模型、CAD图纸、设计说明书
solidworks24版本模型源文件,可编辑,含参数
831005拨叉夹具solidworks21版三维装配模型
831005拨叉夹具solidworks21版三维装配模型
831005拨叉夹具CAD装配图
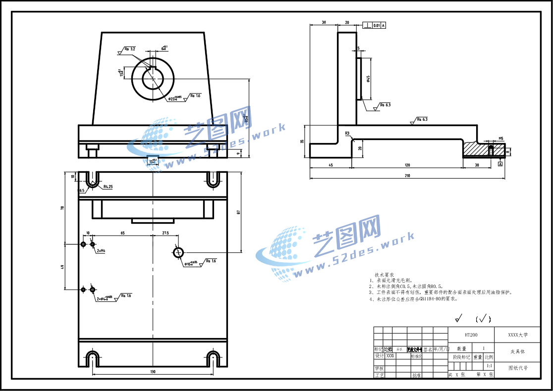
831005拨叉CAD夹具体
831005拨叉设计说明书内容
声明:本站所有文章,如无特殊说明或标注,均为本站原创发布。任何个人或组织,在未征得本站同意时,禁止复制、盗用、采集、发布本站内容到任何网站、书籍等各类媒体平台。如若本站内容侵犯了原著者的合法权益,可联系我们进行处理。
